
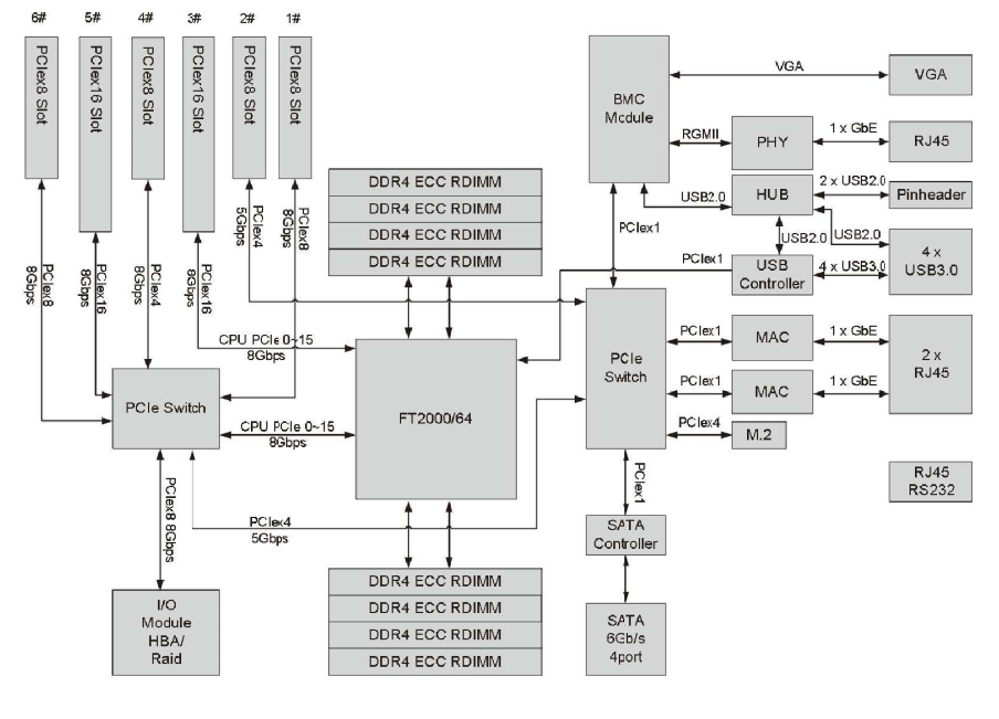
SIMB-F2000 兼容EATX、 EEB架构, 采用国产飞腾FT-2000/64处理器, 可用于国产化服务器、 国产化数据存储控制器等设备的**主板。
SIMB-F2000 支持8个DDR4 2666MT/s RDIMM内存插槽, **内存容量512GB, 支持ECC。同时支持丰富的扩展接口, 包括:6个标准PCIe扩展槽, 1个miniPCIe、l个M.2、l个miniSAS 和1 个内置I/O扩展模块接口。 对外提供2 个 1000Base-T 千兆网口, 6 个US
SIMB-F2000 兼容EATX、 EEB架构, 采用国产飞腾FT-2000/64处理器, 可用于国产化服务器、 国产化数据存储控制器等设备的**主板。
SIMB-F2000 支持8个DDR4 2666MT/s RDIMM内存插槽, **内存容量512GB, 支持ECC。同时支持丰富的扩展接口, 包括:6个标准PCIe扩展槽, 1个miniPCIe、l个M.2、l个miniSAS 和1 个内置I/O扩展模块接口。 对外提供2 个 1000Base-T 千兆网口, 6 个US
提取码:1111
| 产品型号 | SIMB-F2000 | |
| 技术参数 | 形态 | EEB/EATX标准主板 |
| 处理器 | 国产FT-2000/64处理器 (64个Core, 2.2GHz) | |
| 内存 | 8个RDIMM DDR4槽位, 72bit位宽,工作速率2666MT/S,支持ECC,**容量512GB | |
| 扩展槽 | 2路PCIe(3.0) x 16扩展槽(物理尺寸兼容 x 16) | |
| 2路PCIe(3.0) x 8扩展槽(物理尺寸兼容 x 8) | ||
| 1路PCIe(3.0) x 4扩展槽(物理尺寸兼容 x 8) | ||
| 1路PCIe(2.0) x 1扩展槽(物理尺寸兼容 x 8) | ||
| 1个M.2(PCIe3.0x4)扩展槽 | ||
| 1个IO Module(PCIe3.0x8)扩展槽(内置HBA卡) | ||
| 存储 | 4个SATA3.0接口, 支持RAID 0/1/10 | |
| 网络 | 3路10/100/1000Base-T千兆以太网接口(RJ45) BMC** | |
| USB | 4路USB 3.0面板,2路USB 2.0板载 | |
| 显示输出 | 1路VGA 接口 (DB15),1路COM接口 (RJ45) | |
| IPMI | 支持硬件监控:电压、 温度, 风扇控制,支持远程电源控制:开机, 关机, 重启,支持远程WEB GUI管理 Serial-over-LAN (SOL) | |
| 操作系统 | Linux | |
| 电源 | 标准 ATX 24pin & 8pin | |
| 尺寸 | 305mm x 330mm | |
| 重量 | <1KG(含散热片) | |
| 工作温度 | 0~40ºC | |
| 存储温度 | -40~70ºC | |

© 版权所有 2025 上海研强电子科技有限公司
技术支持:溢尚网络